Recherche par catégorie

filtrer votre sélection ?

Je kunt de producten filteren door één of meerdere categorieën te selecteren.

Se connecter

Pour le prix actuel

Se connecter

Pour le prix actuel

Se connecter

Pour le prix actuel

Se connecter

Pour le prix actuel

Se connecter

Pour le prix actuel

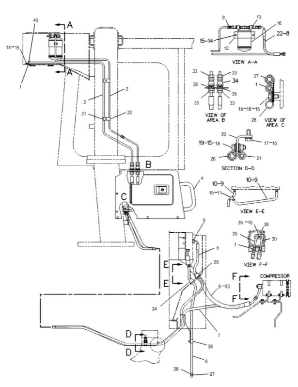
Drukschakelaar Caterpillar 988H

Numéro d'article: 145ZCP1101


Omschrijving Drukschakelaar Caterpillar 988H Voltage 12VSchroefdraad 7/16 - 20 FemaleAantal connector pinnen 2Opmerking / extra info n.v.t.

Se connecter

Pour le prix actuel

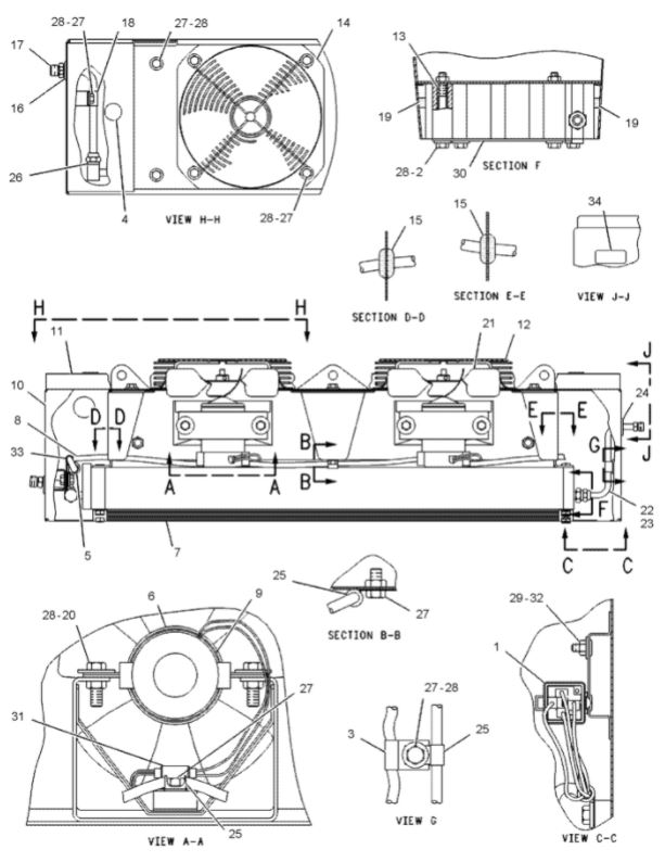
Thermostaat mechanisch capillair 864 mm.

Numéro d'article: 35845


Omschrijving Thermostaat mechanisch capillair 864 mm.Lengte voeler 864 mmOpmerkingen Regelbaar

Se connecter

Pour le prix actuel

{{items.length}} {{texts.bottomBoxTitle}}